
تاريخ الفيزياء

علماء الفيزياء


الفيزياء الكلاسيكية

الميكانيك

الديناميكا الحرارية


الكهربائية والمغناطيسية

الكهربائية

المغناطيسية

الكهرومغناطيسية


علم البصريات

تاريخ علم البصريات

الضوء

مواضيع عامة في علم البصريات

الصوت


الفيزياء الحديثة


النظرية النسبية

النظرية النسبية الخاصة

النظرية النسبية العامة

مواضيع عامة في النظرية النسبية

ميكانيكا الكم

الفيزياء الذرية

الفيزياء الجزيئية


الفيزياء النووية

مواضيع عامة في الفيزياء النووية

النشاط الاشعاعي


فيزياء الحالة الصلبة

الموصلات

أشباه الموصلات

العوازل

مواضيع عامة في الفيزياء الصلبة

فيزياء الجوامد


الليزر

أنواع الليزر

بعض تطبيقات الليزر

مواضيع عامة في الليزر


علم الفلك

تاريخ وعلماء علم الفلك

الثقوب السوداء


المجموعة الشمسية

الشمس

كوكب عطارد

كوكب الزهرة

كوكب الأرض

كوكب المريخ

كوكب المشتري

كوكب زحل

كوكب أورانوس

كوكب نبتون

كوكب بلوتو

القمر

كواكب ومواضيع اخرى

مواضيع عامة في علم الفلك

النجوم

البلازما

الألكترونيات

خواص المادة


الطاقة البديلة

الطاقة الشمسية

مواضيع عامة في الطاقة البديلة

المد والجزر

فيزياء الجسيمات


الفيزياء والعلوم الأخرى

الفيزياء الكيميائية

الفيزياء الرياضية

الفيزياء الحيوية

الفيزياء والفلسفة

الفيزياء العامة


مواضيع عامة في الفيزياء

تجارب فيزيائية

مصطلحات وتعاريف فيزيائية

وحدات القياس الفيزيائية

طرائف الفيزياء

مواضيع اخرى
مشكلة النبضات العابرة Transient problems
المؤلف:
سرمد نافع
المصدر:
الالكترونيات للهواة الاصدار السابع
الجزء والصفحة:
ص29-31
2025-01-16
1054
مشكلة النبضات العابرة Transient problems
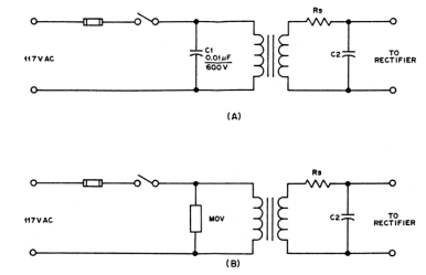
وهي من أكثر الأسباب شيوعا في الأعطال والمشاكل الحادثة لأشباه الموصلات كالمقومات والثايروستورات، هي نبضات الفولتية اللحظية العابرة transient voltages التي ترد مع خطوط التيار المتناوب الناقلة للقدرة A power lines . وتتميز هذه النبضات بأنها حادة وابريه الشكل لها حافات شديدة الانجراف ولها أمد قصير، وأغلبها تتسبب مؤقتا في زيادة الجهود العكسية التي يراها الثنائي إلى قيم أعلى بكثير من فولتيات المحولة الاعتيادية . تقطع هذه النبضات مسافات كبيرة لترد إلينا بعد أن يتسبب في حدوثها التفريغ الشراري الذي يصاحب العواصف الرعدية والبرق، أو التشغيل والإيقاف للمحركات الكهربائية الضخمة، أو التفريغ الهالي حول خطوط الضغط العالي وما شابه ذلك . النبضات العابرة Transient تتسبب ف أعطال غير مفهومة ولا يمكن تفسيرها لموحدات السيليكون Silicon rectifiers . لذا يكون من الحكمة دائما أن نتخذ التدابير للتخلص من هذه النبضات أو على الأقل الإقلال من أثرها المدمر، ويمكن إجراء ذلك بسهولة . الشكل 1 يبين أحد هذه الطرق . المتسعة C1 تبدو كممانعة ذات 280K عند تردد الخط البالغة 60Hz ، ولكن إزاء النبضات الحادة شديدة الانجراف التي تمتلك مركبات تردد عالية ستصبح ممر واطئ الممانعة لتمر عبره النبضات .

الشكل 1 طرق تبديد Suppressing النبضات العابرة transients، أنظر الشرح.
توفر C2 حماية إضافية على جانب الملف الثانوي للمحولة . ويتعين عليها أن تمتلك قيمة 0.01uF لفولتيات من المحولة 100 فولت أو أقل، أوuf 0.001 لمحولات الفولتيات المرتفعة. الشكل 108 يبين طريقة أخرى للتخلص من العابرات أو الفولتيات العابرة مستعملا بذلك فاریستور من الأكسيد المعدني (Metal-oxide varistor (MOV . تكون نبائط الفايرستور عازلة في الحالة الاعتيادية وهي لا توصل إلى أن تتجاوز الفولتية الذروية حداً معينا وتصبح مرتفعة بشكل غير طبيعي . فإذا ما حدث ذلك تقوم بالتوصيل و قص قمم هذه الفولتيات العابرة إلى القيمة المثبتة على (MOV)، وهي القيمة التي بموجبها تم اختيار MOV .الفولتيات العابرة ممكن أن تصل إلى فولتيات تبلغ ضعف فولتية الخط الاعتيادية قبل أن تبدأ المبددات Suppressors عملها بقص القمم (يقصد بالمبددات Transient-Suppression جميع الوسائل المتخذة لتبديد الفولتيات العابرة ) . والمتسعات هي الأخرى لا يمكنها أن تقدم تبديد للفولتيات العابرة على درجة عالية من الجودة . لذا تصبح فكرة جيدة في استعمال ثنائيات للتقويم في مجهزات القدرة لها قيم تحمل للفولتيات العكسية PIV تبلغ ضعف الفولتية العكسية المتوقعة. (( في الحياة العملية في بغداد، ترد معظم معدات الخدمة العامة مثل المحركات أو وحدات المصاعد أو مضخات الوقود أو غيرها مجهزة بمبددات للفولتيات العابرة MOV مرفقة إلى مجهزات قدرة المسيطرات الالكترونية لهذه المعدات؛ ويحدث نتيجة للأسباب الطبيعية أو بسبب ارتفاع الفولتية الجارف الذي حدث لمولدات التيار الكهربائي عند استعمالها في بداية انقطاع التيار الكهربائي إبان الحروب السابقة، أن تنهار هذه المبددات ،وتحترق، وعند احتراقها كان يصدر عنها سناج أسود كثيف جدا يترسب على باقي المكونات الالكترونية للوح ويصعب إزالته، جاعلا الوحدة ككل بلا فائدة . إلا إن التصميم الصحيح لمجهز القدرة يقتضي أن يفصل الفاصم قبل احتراق MOV فإذا ما كانت فرق الصيانة لا تستبدل الفواصم لعدم توفرها أو بسبب الإهمال، فإنهم كعادة الناس يستعملون أسلاك بدل الفاصم لتحترق MOV عند أول تجاوز لقيمة الفولتية المجهزة من المولدة وما يتبعه من تلف اللوح . وقد انتبه المصنع الياباني إلى مشكلة تلف اللوح بكامله عند احتراق MOV فصارت ترد MOV على الألواح مبيتة في أكياس من مطاط السيليكون ومنعت بذلك اللوح من التلف عند احتراق أحد MOV . إلا إن احتراق MOV وهو في داخل الكيس يمنع اللوح من أن يتلوث بالسواد، ويصاحبه انقطاع الفاصم. فإذا ما كانت فرقة الصيانة تضع سلكا بدلا من الفاصم، وتكتفي بقص MOV من اللوح وإزالتها بدلا من استبدالها . ليعود اللوح للعمل بدون MOV ليتعطل في المرة القادمة تعطلا مكلفا نتيجة تلف المكونات التالية من أشباه الموصلات . هذا الذي ذكرته يبين أهمية هذا المكون الذي ظهرت الحاجة له في أواخر القرن العشرين نتيجة الزحام في الأحمال الحثية والأحمال عموما، والضغوط الكبيرة على شبكات توزيع الطاقة الكهربائية . صورة فوتوغرافية تبين أنواع من الفايرستورات MOV وهي ذات قيم متنوعة للفولتية التي ينهار عندها الفاريستور ويبدأ عمله.
بينما الفاصم قد جرى اختراعه أوائل القرن العشرين ولم تكن أشباه الموصلات قد اخترعت بعد، لذا يتعين على القائمين بالتدريب تعريف الفنيين بهذا المكون بدلا من الاكتفاء بالمناهج التي تتحدث عن الفاصم فقط . يرد هذا المكون على شكل قرص سميك مبطط له حواف ناعمة وهو بقدر العملة المعدنية المتوسطة وقد يكون لونه أحمر أو أزرق أو أبيض، والغالب أن يكتب عليه قيمة الفولتية التي يبددها وإذا لم توجد ستجد مكانها رقم الصنف الخاص بالمجهز حيث تستخرج الفولتية المقابلة لرقم الصنف من الجداول الفنية للمصنع. ويمكن معرفة فولتية MOV المجهولة بإجراء فحص مناسب في المختبر كما نفحص ثنائي زنر . ورغم إن هذا المكون قد استعمل عمليا من قبل الشركات العالمية (شركة نوفو بينوني الايطالية أو شركة تاتسونو اليابانية لحماية مرحلات الحالة الصلبة Solid state relays إلا إن النتائج كانت مخيبة غالبا، وفي بلدنا تم الإعراض عن استعمال مرحلات الحالة الصلبة تماما خاصة مع المعدات التي تستعمل الأحمال الحثية بكثرة مثل مضخات الوقود.
فإذا ما كانت فرق الصيانة لا تستبدل الفواصم لعدم توفرها أو بسبب الإهمال، فإنهم كعادة الناس يستعملون أسلاك بدل الفاصم لتحترق MOV عند أول تجاوز لقيمة الفولتية المجهزة من المولدة وما يتبعه من تلف اللوح . وقد انتبه المصنع الياباني إلى مشكلة تلف اللوح بكامله عند احتراق MOV فصارت ترد MOV على الألواح مبيتة في أكياس من مطاط السيليكون ومنعت بذلك اللوح من التلف عند احتراق أحد MOV. إلا إن احتراق MOV وهو في داخل الكيس يمنع اللوح من أن يتلوث بالسواد، ويصاحبه انقطاع الفاصم. فإذا ما كانت فرقة الصيانة تضع سلكا بدلا من الفاصم، وتكتفي بقص MOV من اللوح وإزالتها بدلا من استبدالها. ليعود اللوح للعمل بدون MOV ليتعطل في المرة القادمة تعطلا مكلفا نتيجة تلف المكونات التالية من أشباه الموصلات. هذا الذي ذكرته يبين أهمية هذا المكون الذي ظهرت الحاجة له في أواخر القرن العشرين نتيجة الزحام في الأحمال الحثية والأحمال عموما، والضغوط الكبيرة على شبكات توزيع الطاقة الكهربائية.

صورة فوتوغرافية تبين أنواع من الفايرستورات MOV وهي ذات قيم متنوعة للفولتية التي ينهار عندها الفاريستور
ويبدأ عمله. بينما الفاصم قد جرى اختراعه أوائل القرن العشرين ولم تكن أشباه الموصلات قد اخترعت بعد، لذا يتعين على القائمين بالتدريب تعريف الفنيين بهذا المكون بدلا من الاكتفاء بالمناهج التي تتحدث عن الفاصم فقط . يرد هذا المكون على شكل قرص سميك مبطط له حواف ناعمة وهو بقدر العملة المعدنية المتوسطة وقد يكون لونه أحمر أو أزرق أو أبيض، والغالب أن يكتب عليه قيمة الفولتية التي يبددها وإذا لم توجد ستجد مكانها رقم الصنف الخاص بالمجهز حيث تستخرج الفولتية المقابلة لرقم الصنف من الجداول الفنية للمصنع. ويمكن معرفة فولتية MOV المجهولة بإجراء فحص مناسب في المختبر كما نفحص ثنائي زنر . ورغم إن هذا المكون قد استعمل عمليا من قبل الشركات العالمية (شركة نوفو بينوني الايطالية أو شركة تاتسونو اليابانية لحماية مرحلات الحالة الصلبة Solid state relays إلا إن النتائج كانت مخيبة غالبا، وفي بلدنا تم الإعراض عن استعمال مرحلات الحالة الصلبة تماما خاصة مع المعدات التي تستعمل الأحمال الحثية بكثرة مثل مضخات الوقود.
الاكثر قراءة في الألكترونيات
اخر الاخبار
اخبار العتبة العباسية المقدسة
الآخبار الصحية

قسم الشؤون الفكرية يصدر كتاباً يوثق تاريخ السدانة في العتبة العباسية المقدسة
"المهمة".. إصدار قصصي يوثّق القصص الفائزة في مسابقة فتوى الدفاع المقدسة للقصة القصيرة
(نوافذ).. إصدار أدبي يوثق القصص الفائزة في مسابقة الإمام العسكري (عليه السلام)