
الادارة الهندسية

الانشاءات

الطرق والمواصلات

الموارد المائية

هندسة الجيوتكنك
تقنیات تحليل التأخيرات - تحليل الجدولة الزمنية التخطيطية المتأثرة
المؤلف:
الدكتور المهندس فراس قدري داديخي
المصدر:
دليل حساب التأخيرات في المشاريع
الجزء والصفحة:
161 - 166 الفصل التاسع نقاط القوة والضعف
2023-04-19
1631
تحليل الجدولة الزمنية التخطيطية المتأثرة
يفضـل بعـض المحللين تقـديـم تحليـل التـأخير باستخدام تحليل الجدولة الزمنية التخطيطية المتأثرة Impacted as-planned schedule. في هذه الطريقة، يحدد المحلل الجدولة الزمنية التخطيطية ثـم يدخل إليهـا التغييرات التي يعتقد بأنهـا السبب في تأخير المشروع. مصدر هذه التغييرات هـو فـقـط التأخيرات المحسوسة المدونة خلال التنفيذ والتي يمكن أن تؤثر على زمن المشروع.
نقاط الضعف في هذه الطريقـة أنها لا تصـور أحداث المشروع الفعليـة كمـا حـدثت ، فالقرار حول التغييرات أو التأثيرات الحاصلة في الجدولة الزمنية هي شخصية جداً، والأكثر أهمية ، أنها لا تأخذ الطبيعة الديناميكية للمشروع وللمسار الحرج بالاعتبار.
نقطة الضعف الأولى، هي أن هذه الطريقة لا تقوم بتحديث الجدولة الزمنية باستخدام المعلومات الفعلية أو أنها لا تعتمد على تحديثات الجدولة الزمنية المعاصرة. وبالتالي، لا يوجد مقارنة بين الأحداث المصورة في الجدولة الزمنية المتأثرة وأحداث المشروع الفعلية. حيث تفترض هذه التقنية أن المشروع قـد تقـدم بالعمـل تماماً كما هو مخطط له ما عدا التغييرات المدخلة. في معظم الحالات ، تتجاهل هذه الفرضية ما حدث فعلياً في المشروع ولا تأخذ التغييرات المتسلسلة أو التغييرات على المسار الحرج بالاعتبار.
بالإضافة لذلك، لا يستطيع المحلل دائماً أن يحدد جميع الظروف المؤثرة على الجدولة الزمنيـة مـن وثائق المشروع. فغالباً ما تؤثر الأحداث التي لم يشر إليها في أي من وثائق المشروع على الجدولة الزمنية، فمثلاً ، يمكن أن تكون المدة الزمنية لنشاط محدد أطول مما هو مخطط. فإذا لم تذكر المدة الزمنية الممتدة في وثائق المشروع كمدة زمنية نتيجة تأثير أو تغيير، عنـدهـا لـن يحسب تأثيرها. تسمى المدة الزمنية الممتدة بالمدد الزمنية الفعلية من خلال تحديث الجدولة الزمنية باستخدام الوثائق المعاصرة مثل التقارير اليومية.
نقطة الضعف الأخرى ، هي أنها تعتبر شخصية أو تمثل جانب واحـد مـن تـأخيرات المشروع. فعنـد استخدام هذه التقنية، يدخل المحلل فقط التأخيرات المسببة مـن قبـل الطرف الآخر. وبإدخال فقط تأخير أحد الأطراف ، يحاول المحلل تحديد تأثيرات الجدولة الزمنية المسببة مـن قبـل تأخيرات الطرف الآخر، مع الأسف ، إذا لم يدخل المحلل جميع التأخيرات المؤثرة على الجدولة الزمنية إلى تحليـل الجدولة الزمنية المتأثرة ، فستكون النتائج غير مكتملة في أحسن الأحوال.
أخيراً، يحب بعض المحللين هذه الطريقة لأنها بسيطة إلا أنها لا تأخذ الطبيعة الديناميكية للمشاريع الإنشائية أو للمسار الحرج بالاعتبار. حيث تسمح للمحلل بتقـديـم التحليـل مـن خلال إدخال تأثير تأخير واحد كل مرة وإظهار تأخير تاريخ نهاية المشروع.
هذه الطريقة هي بسيطة، إلا أنها أيضـاً غير دقيقة. باستخدام الجدولة الزمنية الأولى، تجمـد هـذه الطريقة المسار الحرج في بداية المشروع، وبالتالي، لن يتم التعرف على المعلومات الفعلية التي تنتقل في المسار الحرج.
1.3. مثال 1
ليكن لدينا مشروع بسيط يحتوي على سلاسل من الأنشطة المتتالية ، كما يظهر في الشكل (1). يجب إنجاز الأنشطة من 4 إلى F بتتابع حسب المدة الزمنية الظاهرة. بنفس الوقت ، وبعد انتهاء النشاط B ، هناك تسلسل آخـر مـن الأنشطة المتتابعـة مـن 6 إلى 1، حسب المدة الزمنية الظاهرة أيضاً، مـدة المشروع الكلية هي 35 يوماً.

شكل (1) الجدولة الزمنية التخطيطية الأصلية.
يعدل المقاول العمل في اليوم 15 ويضيف نشاط آخر هوJ , مباشرة بعد النشاط I. مدته الزمنية هي 3 أيام ، كما يظهر في الشكل (2).

شكل 2 الجدولة الزمنية التخطيطية ابتداءاً من اليوم 15
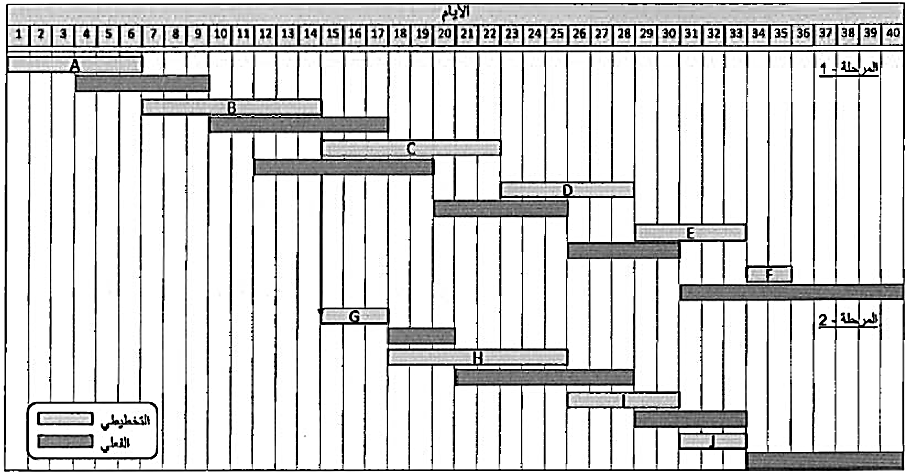
من وجهة نظر الجدولة الزمنية الأولية، فالمسار الحرج لم يتغير، حيث بقي المسار الحرج يتمثل بالأنشطة من 8 إلى F. أنجز المقاول المشروع فعلياً في 40 يـوم ، متأخراً 5 أيام، حيث تظهر المعلومات الفعلية للمشروع في الشكل (3) مرسومة مقابل الجدولة الزمنية التخطيطية الأصلية، تُظهر مراجعـة البيانات الفعلية أن النشاط A بدأ متأخراً 3 أيام ، أما النشاط C فقـد بـدأ مبكـراً 6 أيـام وخـارج عـن التسلسل المنطقي للعلاقات, استهلك النشاط F ثمانية أيام أكثـر مـا هـو مخطط لـه. أما النشاط لـ فقـد استهلك 4 أيام أكثر مما هو مخطط له أيضاً. أما - ا جميع الأنشطة الأخرى ، فقـد بـدأت حسب التسلسل واستهلكت نفس المدد الزمنية التخطيطية الأصلية.

شكل (3) مقارنة بين الجدولة الزمنية التخطيطية والمخطط الفعلي.
تظهر طريقة الجدولة الزمنية التخطيطية المتأثرة النتائج التالية :
1. الشكل (4) : المشروع متأخر 3 أيام بسبب البداية المتأخرة للنشاط A.
2. الشكل (5): المشروع متقدم عن الجدولة الزمنية 3 أيام بسبب البداية المبكرة للنشاط C.
3. الشكل (6): المشروع كلياً متأخر 5 أيام بسبب امتداد المدة الزمنية للنشاط F.

شكل 4 الجدولة الزمنية التخطيطية المتأثرة – التأثير الاول .

شكل 5 الجدولة الزمنية التخطيطية المتأثرة – التأثير الثاني .

شكل 6 الجدولة الزمنية التخطيطية المتأثرة – التأثير الثالث .
لذلك، فالنتيجة الكلية هي أن المشروع قد تأخر 5 أيام ، بسبب النهاية المتأخرة للنشاط F مبدئياً. هـذه خاطئة. باستخدام طريقة التحليل السابقة، بدلا من تحديث الجدولة الزمنية في اليوم الذي أضاف فيه المقاول النشاط ل ، نقوم بتحديث الجدولة الزمنية في اليوم 15، ما تظهر النتائج في الشكل (7). يظهر هذا التحديث أن المشروع متأخر يوم واحـد بسبب تأخر النشاط A والمسار الحرج قـد انتقل إلى المسار الثاني للأنشطة من 6 إلى 3. يتحكم هذا المسار بباقي المشروع، بالإضافة إلى أيام التأخير الخمسة. المسار الحرج لأصلي لم يعد حرجاً. في هذه الحالة ، طريقة الجدولة الزمنية التخطيطية المتأثرة لكامل المشروع تؤدي بشكل واضح إلى النتيجة الخاطئة.

شكل (7) الجدولة الزمنية التخطيطية مقابل المخطط الفعلي.
الاكثر قراءة في الادارة الهندسية
اخر الاخبار
اخبار العتبة العباسية المقدسة
الآخبار الصحية

قسم الشؤون الفكرية يصدر كتاباً يوثق تاريخ السدانة في العتبة العباسية المقدسة
"المهمة".. إصدار قصصي يوثّق القصص الفائزة في مسابقة فتوى الدفاع المقدسة للقصة القصيرة
(نوافذ).. إصدار أدبي يوثق القصص الفائزة في مسابقة الإمام العسكري (عليه السلام)