
الادارة الهندسية

الانشاءات

الطرق والمواصلات

الموارد المائية

هندسة الجيوتكنك
تقنيات تقييم التأخيرات
المؤلف:
الدكتور المهندس فراس قدري داديخي
المصدر:
دليل حساب التأخيرات في المشاريع
الجزء والصفحة:
146 - 149 الفصل الثامن
2023-04-18
1589
تقنيات تقييم التأخيرات
تشير الملاحظات والتحقيقات على وجود طيف واسع من الطرق والتقنيات لتحليل التأخيرات والتي يستخدمها العديد من المقاولين ومهندسي الإشراف في مختلف الأوقات، بالإضافة إلى عدم وجود اتفاق أو إجماع حول الطرق الأكثر ملائمة للاستخدام.
بالنظر إلى التقنيات العديدة المستخدمة في تقديم المطالبة بالزمن الإضافي، فإن أي من الطرق المعروفة تسمح في تقييم ثلاثة مسائل هامة في نفس الوقت وهي :
1. تقدم العمل في المشروع وقت حدوث التأخير.
2. الطبيعة المتغيرة للمسار الحرج وقت حدوث التأخير.
3. تأثيرات الأفعال المتخذة ، أو التي يجب اتخاذها، للتقليل من تأثير تلك التأخيرات.
وبالتالي ليس مفاجئاً كنتيجة لما سبق، وجود الكثير من التناقضات والتعارضات التي تملأ تقييمات وتحليلات التأخيرات الموجودة في المطالبات بالزمن الإضافي، تظهر عموماً المشاكل عندما ينهار سبب وتأثير التأخيرات التي كان مقدمها يستحق الزمن الإضافي ، عندما تبدو الآن مترابطة أو متزامنة.
بعض الأمثلة التي تحتاج إلى تقييم وتحليل بعناية فائقة هي :
1. تأخير المقاول لنشاط لا يقع على المسار الحرج لكنه يؤثر على نشاط لاحـق لـه ويجعله حرجاً ويكون من مسؤولية مالك المشروع.
2. تأخير مالك المشروع لنشاط متبوعاً بتأخير نشاط من مسؤولية المقاول.
3. تأخير مالك المشروع بشكل متزامن مع تأخير المقاول لأنشطة تقع على مسارات حرجة متوازية.
فيما يلي سنشرح تقنيات تقييم التأخيرات من خلال تصنيفها ضمن المجموعات التالية :
1. الطريقة "الانطباعية Impressionistic" : تستخدم في المشاريع البسيطة.
2. الطريقة "المبسطة Simplistic": وهـي نمـاذج ساكنة لا تُعطـي نظـرة ثاقبـة علـى التأثيرات والعلاقات التي توفرها طرق تحليل المسار الحرج.
3. طريقة "التحليل الاحتمالي المستقبلي Prospective analysis" : تستخدم تقنيـات هـذه المجموعة الجدولة الزمنية التخطيطية في تحليل التأخيرات.
4. طريقة "تحليل الأثر الرجعي Retrospective analysis" : تستخدم تقنيات هذه المجموعة الجدولة الزمنية الفعلية في تحليل التأخيرات.
تعتبر آخر مجموعتين فقط كتقنيات تحليل ديناميكية.
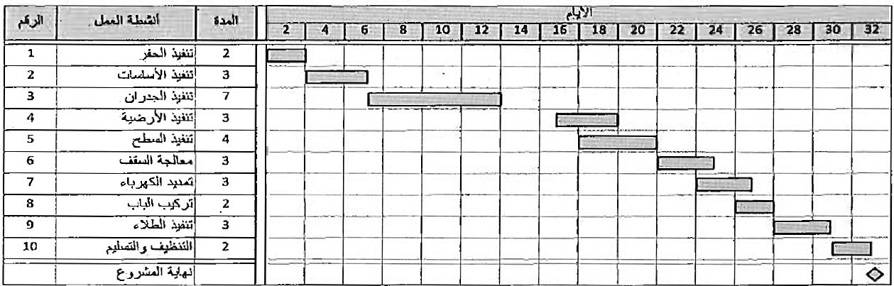
لشرح ومقارنة تقنيات التقييم السابقة ، نأخذ مشروع بناء مرآب. حيث الجدولة الزمنية التخطيطية لهذا المشروع تحتوي على 10 أنشطة فقط وتظهر على شكل شبكة أنشطة في الشكل (1).

شكل 1 الجدولة الزمنية التخطيطية (المخطط الشبكي ) لمشروع بناء المآب
حيث تمثل الاحرف اسماء الانشطة كما يلي :

يمثل المشروع باستخدام المخطط الشريطي ، حيث يظهر البرنامج التخطيطي في الشكل (2).

شكل (2) الجدولة الزمنية التخطيطية (المخطط الشريطي) لمشروع بناء المراب،
كما نرى، لقـد خطـط المقاول لبناء المرآب خلال مدة زمنية تبلغ 32 يوماً. وخلال التنفيذ حدثت مجموعة من التأخيرات ، كما يظهر المخطط الفعلي النهائي في الشكل (3).

شكل 3 المخطط الفعلي لمشروع المآب
كما يمكننا مقارنة المخطط الشريطي التخطيطي مع الفعلي جنباً لجنب في الشكل (4).

شكل (4) مقارنة بين الجدولة الزمنية التخطيطية (المخطط الشريطي) والمخطط الفعلي.
المدة التخطيطية لبناء المرآب كانت 32 يوم، لكن المدة الفعلية أصبحت 40 يوم. متمثلة بتجاوز 8 أيام. تظهر المراجعة المبدئية أن التأخير الحاصل على أنشطة العمل مفصل في الجدول التالي :

وبالاعتماد على هذا المثال سنشرح تقنيات تقييم الزمن الإضافي في الفقرات القادمة.
الاكثر قراءة في الادارة الهندسية
اخر الاخبار
اخبار العتبة العباسية المقدسة
الآخبار الصحية

قسم الشؤون الفكرية يصدر كتاباً يوثق تاريخ السدانة في العتبة العباسية المقدسة
"المهمة".. إصدار قصصي يوثّق القصص الفائزة في مسابقة فتوى الدفاع المقدسة للقصة القصيرة
(نوافذ).. إصدار أدبي يوثق القصص الفائزة في مسابقة الإمام العسكري (عليه السلام)